一、概述
二、位置
如图LS阀直接安装在主泵上。PLS压力管一端直接安装在主泵上(与6型机安装在LS阀上不同),另一端直接与主控阀相连。这两根PLS压力管非常重要,它反映了操纵杆的运动状态,请在实际机器上确认LS阀与PLS压力管。

三、构造
请根据下面两图相互比较进行学习。


四、工作原理
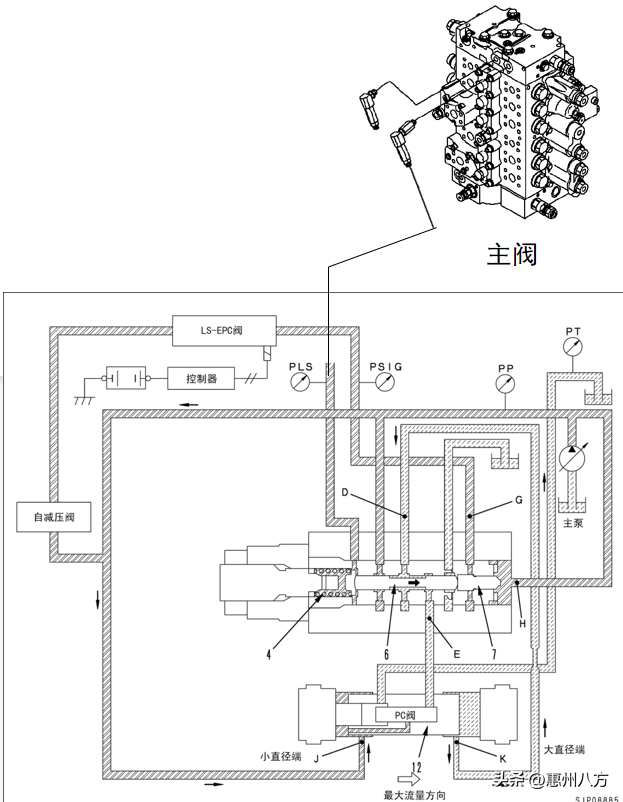
1.如下图所示,LS阀阀芯(6)共受到4个力的作用
左边:主控阀来的PLS压力+弹簧4的力右边:主泵来的PP压力+LS-EPC阀输出的压力
由这几个力的综合作用,决定阀芯(6)的左右移动。
2.随阀芯(6)的移动,C、D、E三个油口之间通断及通断程度不同,使到伺服活塞大直径端的压力不同,进而使伺服活塞(12)移动,从而带动斜盘角度的变化,最终改变了主泵输出的流量。
a)操纵杆拉大PLS上升△PLS压力(主泵压PP-PLS压力)变小阀芯(6)右移C、D逐渐断D、E逐渐通伺服活塞大径端压力逐渐回油箱伺服活塞大径端压力下降伺服活塞向右移动斜板角度变大流量Q增大
b)操纵杆移动量变小时与上同理,请读者自己推理。

五、故障诊断
故障现象:不管操纵杆怎么变化,各种工作装置速度不变。
故障分析:发生此类故障的可能原因有泵内斜板、伺服活塞、PC阀、LS阀内部机械零件卡
检查结果:PLS回路中慢回阀阀芯(1)中的小孔堵死(如下图)
故障处置:清洗慢回阀,清洗PLS油管,更换液压油
滤芯及液压油后试车,故障排除。

六、测试与调整
1.拆下油压测量塞(1)、(2)、(3)和(4)、(5)、(6),安装M1O快换接头及58MPa{600kg/cm2}油压表。
*塞(1):用于测量前泵输送压力
*塞(2):用于测量后泵输送压力
*塞(3):用于测量前泵LS阀输出压力
*塞(4):用于测量后泵LS阀输出压力
*塞(5):用于测量前泵PLS压力
*塞(6):用于测量后泵PLS压力



2.测试条件
1)液压油温:45℃~55℃2)发动机转速:高速3)工作模式:A模式
4)行走速度开关:Hi(高速)5)支起单边履带
3.LS阀输出压力(伺服活塞大径端输入压力)测量

4.LS压差的测量(LS压差=泵压PP-PLS压力)

5.调整
当LS压差不正常时,通过LS阀(7)和(8)进行调整。
1)拧松锁紧螺母(9),转动调整螺钉(10)来调整压力。
*向右转动,压差上升;向左转动,压差下降。
*调整螺钉每一圈的调整量(LS压差)1.3MPa{13.3kg/cm2}
2)调整后,拧紧锁紧螺母(9)。
注)必须边测量压差边调整。


下一节讲解LS-EPC电磁阀





